ACO waste water lifting plant Muli-Star DDP
Product benefits
- Low weight
- Different inlet heights
- CFD-optimised impeller
- High chemical resistance of all components
- Suitable for use downstream of grease separators
- Fast installation
- Ready to connect
- High usable volume – up to 185 l
- Adapted to door dimension: 780 mm
Product information
- Areas of us
- Downstream of grease separators up to NS 15 – in conjunction with air bubble injection
- Multiple dwelling units
- Office buildings, hotels
- Hospitals
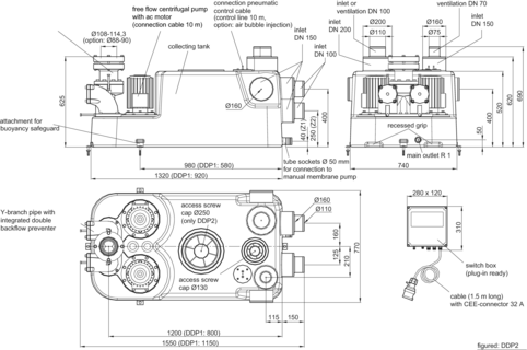
- Tank made of polyethylene
- Bottom outlet R 1"
- Inspection opening for easy maintenance, diameter: 130 mm (DDP1), 130 mm and 250 mm (DDP2)
- Fixing set for buoyancy-proof anchorage
- Connection for manual diaphragm pump DN 50
- 2 horizontal inlet sockets, DN 150
- 2 horizontal inlet sockets, DN 150/DN 100
- 1 vertical inlet sockets DN 200/DN 150
- 1 vertical inlet sockets DN 100/DN 70 - 1 ventilation socket
- Delivery line connection
- Special backflow valve with ball in the housing
- Y-branch pipe with vent and immobilising screw
- Special adapter DN 80 for elastic connection of the delivery line with 108 – 114.3 mm outside pipe diameter (optional 88 – 93 mm)
- Connecting flange for stop valve DN 80 PN 16
- 2 pump units
- 3-phase motor: 400 V, 50 Hz
- Degree of protection IP 68
- Integrated permanent motor monitoring
- Blockage-free free flow impeller
- 10 m connection cable
- Level switching
- Pneumatic level switching with 10 m control cable
- Optionally with air bubble injection (accessory)
- Control
- Degree of protection IP 54
- 1.5 m cable and CEE plug (16A) – DDP x.1
- 1.5 m cable and CEE plug (32A) – DDP x.2
- Isolated group alarm and operation signal
- Tested to EN 12050‑1
| Type | Motor power | Key data | Granu lation | Usable volume | Total volume | Weight | Item number | |||||
| P1 | P2 | Current consumption | Voltage | Rev- count | Inlet height Z 1 | Inlet height Z 2 | Top inlet | |||||
| [kW] | [kW] | [A] | [V] | [r/min] | [mm] | [l] | [l] | [l] | [l] | [kg] | ||
| Muli-Star DDP ECO 1.0 | 1.83 | 1.5 | 3.5 | 400 | 1400 | 65 | 65 | 110 | 110 | 150 | 101 | 1202.00.13 |
| Muli-Star DDP 1.1 | 1.83 | 1.5 | 5 | 400 | 1400 | 65 | 65 | 110 | 110 | 150 | 101 | 1202.00.01 |
| Muli-Star DDP 1.2 | 3.45 | 3 | 10 | 400 | 2800 | 65 | 65 | 110 | 110 | 150 | 124 | 1202.00.02 |
| Muli-Star DDP ECO 2.0 | 1.83 | 1.5 | 3.5 | 400 | 1400 | 65 | 95 | 185 | 185 | 300 | 107 | 1202.00.14 |
| Muli-Star DDP 2.1 | 1.83 | 1.5 | 5 | 400 | 1400 | 65 | 95 | 185 | 185 | 300 | 107 | 1202.00.04 |
| Muli-Star DDP 2.2 | 3.45 | 3 | 10 | 400 | 2800 | 65 | 95 | 185 | 185 | 300 | 130 | 1202.00.05 |

| Type | Delivery head | Delivery flow Q with overall delivery head H | Media temperature | |||||||
|---|---|---|---|---|---|---|---|---|---|---|
| 4 m | 6 m | 8 m | 10 m | 12 m | 14 m | 16 m | Normal | Maximum | ||
| [m] | [l/s] | [l/s] | [l/s] | [l/s] | [l/s] | [l/s] | [l/s] | [°C] | [°C] | |
| Muli-Star DDP ECO 1.0 | 2 – 4.8 | 7.5 | 3.0 | 40 | 65 | |||||
| Muli-Star DDP 1.1 | 4 – 9.5 | 14.44 | 11.0 | 7.5 | 1.5 | 40 | 65 | |||
| Muli-Star DDP 1.2 | 6 – 16 | 15.0 | 13.3 | 11.38 | 9.4 | 7.1 | 3.51 | 40 | 65 | |
| Muli-Star DDP ECO 2.0 | 2 – 4.8 | 7.5 | 3.0 | 40 | 65 | |||||
| Muli-Star DDP 2.1 | 4 – 9.5 | 14.44 | 11.0 | 7.5 | 1.5 | 40 | 65 | |||
| Muli-Star DDP 2.2 | 6 – 16 | 15.0 | 13.3 | 11.38 | 9.4 | 7.1 | 3.51 | 40 | 65 | |
- [Declaration of Performance DOP] BD-G1-3007
- Instruction for use
- Brochure Wastewater lifting plant and Pumping stations for trade and industry
- 3D-Model (dwg) - 1202.00.13
- BIM Data (ifc) - 1202.00.13
- Technical Drawing Dxf - 1202.00.13
- Data sheet 1202.00.13
- [Environmental Product Declaration (EPD)] Rotomoulded containers for drainage products
- [Declaration of Performance DOP] BD-G1-3007
- Instruction for use
- Brochure Wastewater lifting plant and Pumping stations for trade and industry
- 3D-Model (dwg) - 1202.00.01
- BIM Data (ifc) - 1202.00.13
- Technical Drawing Dxf - 1202.00.01
- 3D-Model (igs) - 1202.00.01
- Data sheet 1202.00.01
- [Environmental Product Declaration (EPD)] Rotomoulded containers for drainage products
- [Declaration of Performance DOP] BD-G1-3007
- Instruction for use
- Brochure Wastewater lifting plant and Pumping stations for trade and industry
- 3D-Model (dwg) - 1202.00.02
- BIM Data (ifc) - 1202.00.02
- Technical Drawing Dxf - 1202.00.02
- 3D-Model (igs) - 1202.00.02
- Data sheet 1202.00.02
- [Environmental Product Declaration (EPD)] Rotomoulded containers for drainage products
- [Declaration of Performance DOP] BD-G1-3007
- Instruction for use
- Brochure Wastewater lifting plant and Pumping stations for trade and industry
- 3D-Model (dwg) - 1202.00.14
- BIM Data (ifc) - 1202.00.14
- Technical Drawing Dxf - 1202.00.14
- Data sheet 1202.00.14
- [Environmental Product Declaration (EPD)] Rotomoulded containers for drainage products
- [Declaration of Performance DOP] BD-G1-3007
- Instruction for use
- Brochure Wastewater lifting plant and Pumping stations for trade and industry
- 3D-Model (dwg) - 1202.00.04
- BIM Data (ifc) - 1202.00.14
- Technical Drawing Dxf - 1202.00.04
- 3D-Model (igs) - 1202.00.04
- Data sheet 1202.00.04
- [Environmental Product Declaration (EPD)] Rotomoulded containers for drainage products
- [Declaration of Performance DOP] BD-G1-3007
- Instruction for use
- Brochure Wastewater lifting plant and Pumping stations for trade and industry
- 3D-Model (dwg) - 1202.00.05
- BIM Data (ifc) - 1202.00.05
- Technical Drawing Dxf - 1202.00.05
- 3D-Model (igs) - 1202.00.05
- Data sheet 1202.00.05
- [Environmental Product Declaration (EPD)] Rotomoulded containers for drainage products
| Type | Motor power | Key data | Granu lation | Usable volume | Total volume | Weight | Item number | |||||
| P1 | P2 | Current consumption | Voltage | Rev- count | Inlet height Z 1 | Inlet height Z 2 | Top inlet | |||||
| [kW] | [kW] | [A] | [V] | [r/min] | [mm] | [l] | [l] | [l] | [l] | [kg] | ||
| Muli-Star DDP ECO 1.0 | 1.83 | 1.5 | 3.5 | 400 | 1400 | 65 | 65 | 110 | 110 | 150 | 101 | 1202.00.13 |
| Muli-Star DDP 1.1 | 1.83 | 1.5 | 5 | 400 | 1400 | 65 | 65 | 110 | 110 | 150 | 101 | 1202.00.01 |
| Muli-Star DDP 1.2 | 3.45 | 3 | 10 | 400 | 2800 | 65 | 65 | 110 | 110 | 150 | 124 | 1202.00.02 |
| Muli-Star DDP ECO 2.0 | 1.83 | 1.5 | 3.5 | 400 | 1400 | 65 | 95 | 185 | 185 | 300 | 107 | 1202.00.14 |
| Muli-Star DDP 2.1 | 1.83 | 1.5 | 5 | 400 | 1400 | 65 | 95 | 185 | 185 | 300 | 107 | 1202.00.04 |
| Muli-Star DDP 2.2 | 3.45 | 3 | 10 | 400 | 2800 | 65 | 95 | 185 | 185 | 300 | 130 | 1202.00.05 |

| Type | Delivery head | Delivery flow Q with overall delivery head H | Media temperature | |||||||
|---|---|---|---|---|---|---|---|---|---|---|
| 4 m | 6 m | 8 m | 10 m | 12 m | 14 m | 16 m | Normal | Maximum | ||
| [m] | [l/s] | [l/s] | [l/s] | [l/s] | [l/s] | [l/s] | [l/s] | [°C] | [°C] | |
| Muli-Star DDP ECO 1.0 | 2 – 4.8 | 7.5 | 3.0 | 40 | 65 | |||||
| Muli-Star DDP 1.1 | 4 – 9.5 | 14.44 | 11.0 | 7.5 | 1.5 | 40 | 65 | |||
| Muli-Star DDP 1.2 | 6 – 16 | 15.0 | 13.3 | 11.38 | 9.4 | 7.1 | 3.51 | 40 | 65 | |
| Muli-Star DDP ECO 2.0 | 2 – 4.8 | 7.5 | 3.0 | 40 | 65 | |||||
| Muli-Star DDP 2.1 | 4 – 9.5 | 14.44 | 11.0 | 7.5 | 1.5 | 40 | 65 | |||
| Muli-Star DDP 2.2 | 6 – 16 | 15.0 | 13.3 | 11.38 | 9.4 | 7.1 | 3.51 | 40 | 65 | |
- [Declaration of Performance DOP] BD-G1-3007
- Instruction for use
- Brochure Wastewater lifting plant and Pumping stations for trade and industry
- 3D-Model (dwg) - 1202.00.13
- BIM Data (ifc) - 1202.00.13
- Technical Drawing Dxf - 1202.00.13
- Data sheet 1202.00.13
- [Environmental Product Declaration (EPD)] Rotomoulded containers for drainage products
- [Declaration of Performance DOP] BD-G1-3007
- Instruction for use
- Brochure Wastewater lifting plant and Pumping stations for trade and industry
- 3D-Model (dwg) - 1202.00.01
- BIM Data (ifc) - 1202.00.13
- Technical Drawing Dxf - 1202.00.01
- 3D-Model (igs) - 1202.00.01
- Data sheet 1202.00.01
- [Environmental Product Declaration (EPD)] Rotomoulded containers for drainage products
- [Declaration of Performance DOP] BD-G1-3007
- Instruction for use
- Brochure Wastewater lifting plant and Pumping stations for trade and industry
- 3D-Model (dwg) - 1202.00.02
- BIM Data (ifc) - 1202.00.02
- Technical Drawing Dxf - 1202.00.02
- 3D-Model (igs) - 1202.00.02
- Data sheet 1202.00.02
- [Environmental Product Declaration (EPD)] Rotomoulded containers for drainage products
- [Declaration of Performance DOP] BD-G1-3007
- Instruction for use
- Brochure Wastewater lifting plant and Pumping stations for trade and industry
- 3D-Model (dwg) - 1202.00.14
- BIM Data (ifc) - 1202.00.14
- Technical Drawing Dxf - 1202.00.14
- Data sheet 1202.00.14
- [Environmental Product Declaration (EPD)] Rotomoulded containers for drainage products
- [Declaration of Performance DOP] BD-G1-3007
- Instruction for use
- Brochure Wastewater lifting plant and Pumping stations for trade and industry
- 3D-Model (dwg) - 1202.00.04
- BIM Data (ifc) - 1202.00.14
- Technical Drawing Dxf - 1202.00.04
- 3D-Model (igs) - 1202.00.04
- Data sheet 1202.00.04
- [Environmental Product Declaration (EPD)] Rotomoulded containers for drainage products
- [Declaration of Performance DOP] BD-G1-3007
- Instruction for use
- Brochure Wastewater lifting plant and Pumping stations for trade and industry
- 3D-Model (dwg) - 1202.00.05
- BIM Data (ifc) - 1202.00.05
- Technical Drawing Dxf - 1202.00.05
- 3D-Model (igs) - 1202.00.05
- Data sheet 1202.00.05
- [Environmental Product Declaration (EPD)] Rotomoulded containers for drainage products

